Shop in your local currency and language

Choose another country or region to see specific content for your location and shop online.

United Kingdom

Sanitization of the AquaWIT V integrity test system with steam

May 28, 2025

We have developed the AquaWIT V filter integrity system to perform in situ filter integrity testing. A sanitization program is available to help ensure the cleanliness of the base unit (piping and tank), controlling bioburden and preventing cross-contamination in the parts of the system in contact with liquid (water).

Using temperature mapping during steaming of the system, we demonstrate that the sanitization program satisfies expectations by reaching and exceeding 121°C at different locations. We recommend that you clean and minimize bioburden using a steam-sanitization program under the following conditions:

  • Steam supply 1.8 to 2.0 barg
  • Temperature setpoint: 121°C to 125°C
  • Minimum duration: 20 min

In this article, we also provide general recommendations to control and prevent bioburden contamination when using the AquaWIT V system.

Introduction

We have developed the AquaWIT V system specifically to perform in situ filter integrity testing including the automatic preparation of the filter:

  • Before in situ water intrusion testing (WIT), the hydrophobic membrane of the filter under test must be completely covered with water before air pressure can be applied to the water and the flow measurement can be performed.
  • Before in situ forward-flow testing (FF), the hydrophilic membrane filter must be wetted, for example, flushed out with fluid before the test can be performed.

The AquaWIT V system includes a water tank, the required piping, valves, and automation level to prepare the filter with water (typically water for injection, WFI) before integrity testing. The sanitization program (steam or hot water in-place sanitization) helps to ensure the cleanliness of the base unit (piping and tank), controlling the bioburden and preventing cross-contamination in the parts of the system in contact with liquid (water).

Our purpose with the steam trials was to determine the efficacy of the steam sanitization program by determining the steam distribution and temperature during the program. For this purpose, we applied a thermal mapping of the base unit of the AquaWIT V system (see Appendix 1).

Materials and methods

The sanitization of the AquaWIT system can be performed by either hot water or steam. For the selected program (steam sanitization or hot water sanitization), different settings can be predefined in the respective program settings. The testing was performed using steam for sanitization and the respective settings are presented in Table 1.

Table 1. Sanitization settings1

 Setting  Value  Comment
 Function  Steam sanitization  Defines the mode of sanitization (hot water or steam)
 Sanitization temperature  125°C  Defines the minimum steam temperature. The temperature is monitored by the TT01 internal sensor. If the temperature falls below the setting, the sanitization timer is paused, and the sanitization reset timer starts.
 Sanitization time  1200 s  Defines the time used to flush the flow path with hot water or steam of the selected temperature. The sanitization timer runs during the sanitization phase until the sanitization time is reached.
 System air flush time  600 s  Defines time for the system air flush sequence.
 System air flush pressure  mbar (1 bar, 14.5 psi, 0.1 MPa)  Defines maximum pressure to blow air through the piping. If this pressure is reached, the pressurization stops.
 System cooling target  40°C  Defines the maximum temperature at the end of the system air flush phase. If the temperature in the tank is above this temperature at the end of the system air flush time phase, an error message is displayed.
 Sanitization reset timer  0 s  Select the cumulative time the system temperature is allowed to drop below the sanitization temperature and allowed to pause the sanitization timer. If the timer reaches the sanitization reset time, sanitization time is reset to 0. If the sanitization reset timer is activated during a successful sanitization run, a temperature drop detected warning is included in the result file.

1 Note: With the previous AquaWIT IV System, it was possible to set the opening times and time between opening for the steam supply valve. With the AquaWIT V, this parameter setting is fixed.

During the sanitization cycle, the temperature in the water storage tank was elevated to a preset sanitization temperature for a preset sanitization time. The different phases followed by the system during a steaming-in-place (SIP) program are as follows:

  • System check: the system checks that the maintenance manifold is attached and operating. A pressure hold test is included to confirm steam-path closure.
  • System filling: the system fills the flow path and the water tank with steam and continues until the defined sanitization temperature is maintained for 10 min. Note: The system does not monitor the pressure of the steam supply. The pressure must be constant to run a SIP procedure successfully.
  • Sanitization loop:
  1. The system flushes steam through the flow path for the duration of the sanitization time. If the sanitization time is not reached or unstable for 30 min, the system aborts the SIP procedure and displays an error in the test result.
  2. When the system temperature drops below the sanitization temperature, the Sanitization time timer pauses, and the Sanitization reset timer starts. If the Sanitization reset timer is reached, the Sanitization time is reset to 0.
  3. To avoid overheating of the system, the inlet valve AV08 closes when the system temperature exceeds Target sanitization temperature + 10°C. The inlet valve AV08 opens again when the temperature has decreased to the target sanitization temperature + 6°C.
  • System depressurizing: The system is vented slowly until the system pressure reaches 200 mbar (0.2 bar, 2.9 psi, 0.02 MPa). If the system pressure does not reach 200 mbar, an error message appears on the screen.
  • System air flush:
  1. The Palltronic Flowstar V instrument pressurizes the flow path with air to drain water from the flow path through port F to the waste line.
  2. The system drains steam and condensate from the water tank. The air is flushed through the system during air flush time.
  3. If the system does not cool down to the default system cooling target temperature after the air flush time, a warning is included in the test result.

During the sanitization loop, the AquaWIT V sanitization program uses two configurations (configuration 1 and configuration 2) to circulate the steam inside the system piping. Each configuration corresponds to certain valves of the AquaWIT being open or closed (V1 to V9 and V14, see Fig 1). For the initial testing, the program used a valve opening sequence timing of 10 s for configuration 1 and 5 s for configuration 2.

Fig 1. The AquaWIT V system sanitization loop alternates between configuration 1 and configuration 2.

All components in the flow path can be sanitized with steam up to 135°C. For efficient steaming, we recommend keeping the steam temperature and the setpoint as close as possible to allow optimal regulation (within 10°C delta). The steam pressure supply was 1.8 to 2.0 barg, approx. 130°C to 135°C depending on the steam demand from other installations during the test.

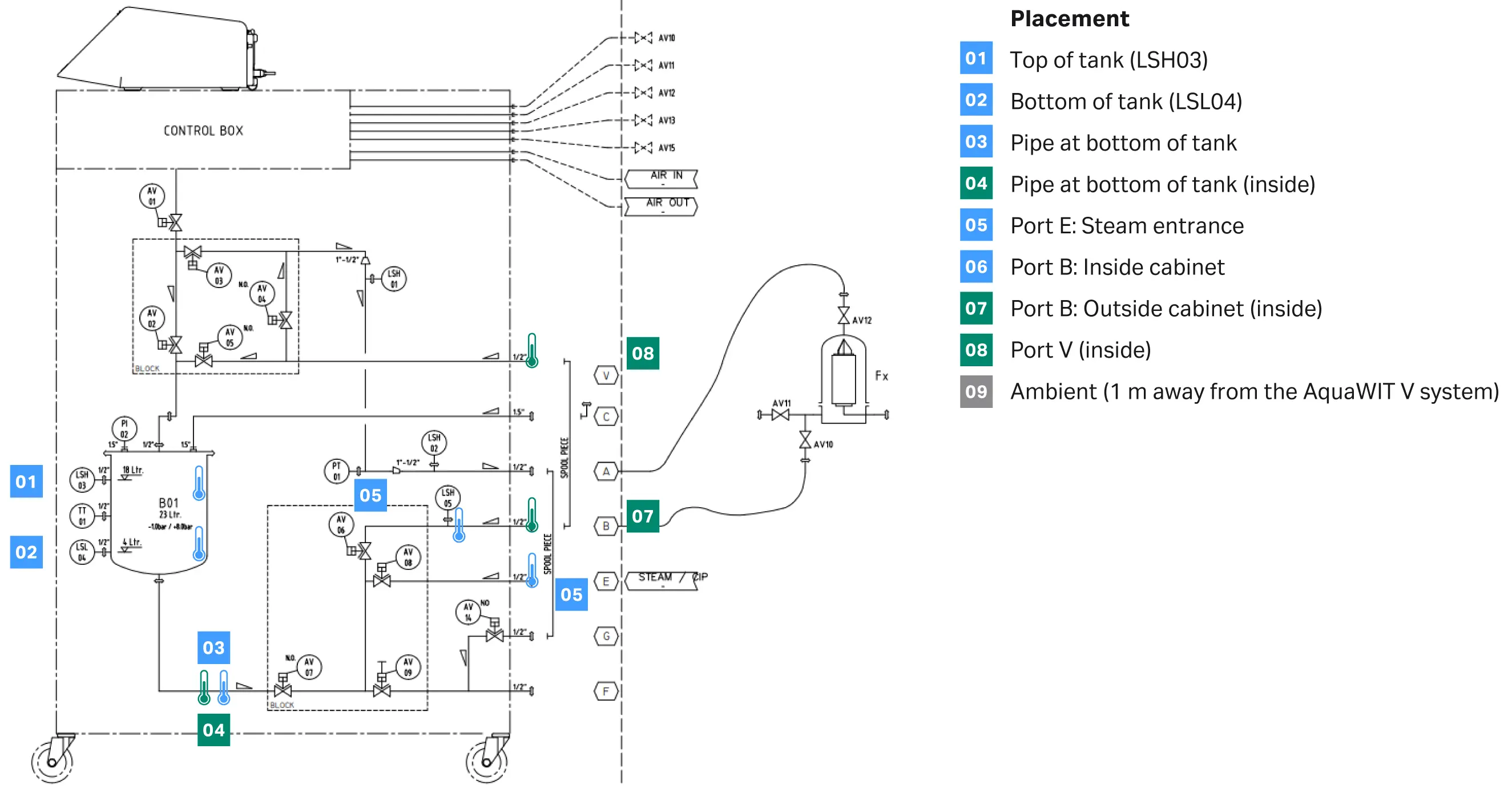
For the thermal mapping, either heat-resistant aluminum tape was used to secure the thermocouples (sensors) on the stainless-steel piping and outer surface of the system, or the sensors were inserted in cut sanitary clamp seals to be positioned inside the system. Table 2 describes the position of the sensors.

Table 2. Sensor placement

 Sensor nr.  Placement location description  Surface or inside
 01  Top of tank (LSH03)  Surface
 02  Bottom of tank (LSL04)  Surface
 03  Pipe at bottom of tank  Surface
 04  Pipe at bottom of tank (inside)  Inside
 05  Port E: Steam entrance  Surface
 06  Port B: Inside cabinet  Surface
 07  Port B: Outside cabinet (inside)  Inside
 08  Port V (inside)  Inside
 09  Ambient temperature: 1 m away from the system  Not applicable

 

We connected the thermocouples to a Kaye validator 2000 system v2.01.

For three positions, we inserted sensors inside the piping using cut seals (nr. 04, 07, and 08). Figure 2 displays the temperature mapping, where the thermocouples are attached on the AquaWIT V system.

Fig 2. AquaWIT V system setup for sanitization testing, sensor placement. Sensors marked orange: System surface. Sensor marked yellow: Inside system.

We calibrated the thermocouples used for temperature recording before testing. Once a sanitization program was initiated, data from the thermocouples were recorded every 2 s using the Kaye validator system 2000. We manually recorded TT01 internal sensor-displayed temperature (AquaWIT V thermocouple installed in the water tank) every 5 min.

We performed all sanitizations using a condensate trap installed after port F.

Results and discussion

Three sanitization runs are reported below:

  • A: Initial run, condensate trap installed at port F.
  • B: Run started when we filled the system tank with water (room temperature) and emptied it twice.
  • C: Run similar to run B, condensate trap installed 1 m down from port F (1 m of ¾” PTFE tubing installed between port F and steam trap).

Each sanitization went through the different sequences:

(a) Setup verification, initialization sequence (approx. 3 min).

(b) Steam entrance over port E into the AquaWIT V system and heating up (10 min).

(c) Steam/sanitization cycle (20 min)—this is where configurations 1 and 2 are combined to steam the system.

(d) System venting.

(e) System air flush.

Table 3 presents the temperature averages of each run. The data selected for the average calculation include the temperatures measured during the sanitization/steam cycle (20 min) only, from the sanitization starting time and ending time as reference (time indicated on the test ticket). The detailed results are presented in Appendix 2. We measured ambient temperatures 1 m away from the AquaWIT system.

Values in columns other than 04 and 08 indicate an average temperature above the set point (125°C). The values in columns 04 and 08 indicate a temperature between 121°C and 125°C. For all tests, the TT01 internal sensor indicates average temperatures above the respective setpoint.

Table 3. AquaWit V system average temperature during sanitization (20 min) in °C for each sensor

 Test run  TT01 internal sensor  01  02  03  04  05  06  07  08  09
 A  133.3  130.6  128.5  125.3  123.0  125.8  130.1  127.4  123.3  19.8
 B  130.5  127.6  125.7  125.1  122.5  125.9  129.5  126.9  122.9  21.6
 C  132.5  129.8  127.8  125.2  123.1  126.2  129.8  127.3  123.8  21.4

 

01: Tank top

02: Tank bottom

03: Tank drain

04: Tank drain (inside piping)

05: Port E (steam entry)

06: Port B inside cabinet

07: Port B (inside piping)

08: Port V (inside piping)

09: Ambient temperature

Regarding the sensor placement on the outer surface, temperatures from the TT01 internal sensor can be used as a reference for the temperatures measured at sensor 01 (top of the tank) and at sensor 02 (bottom of the tank). The difference in temperature between TT01 and sensor 01 is approx. 3°C to 4°C and sensor 02 is approx. 4°C to 5°C lower.

Comparing sensor 03 (piping out of tank drain) and sensor 04 (inside piping, close to 3), the temperature inside the piping was measured at 2°C to 3°C lower compared to the surface.

Figure 3 gives an overview of the average temperature measured during the steam-sanitization phase (20 min) for each run.

The target temperature (125°C) refers to the AquaWIT TT01 internal sensor, where the temperatures we measured were above the target.

For all sensors, average values lay above 121°C, the lowest average being measured on the inside of the bottom pipe (sensor 04, Run B, 122.5 ± 0.6°C), which is expected to be the coldest point due to its location. The temperature at the same point, but on the surface, was higher (sensor 03, Run B, 125.1 ± 0.5 °C). This may be attributed to condensate, which lowers the temperature inside the pipe at the bottom of the system.

Run B shows the lowest temperature averages. However, based on the standard deviations, the differences are not significant compared to the other two runs.

Fig 3. Temperature averages during sanitization phase (20 min). Error bars represent standard deviation.

The temperature of the steam supply is critical. The difference between the steam temperature and the set point needs to be as close as possible to allow optimal regulation (within 10°C delta). The steam pressure supply was 1.8 to 2.0 barg, approx. 130°C to 135°C) depending on the steam demand from other installations during the test.

If the temperature measured by the TT01 is more than 10°C above the set point, the steam admission (valve 08) closes (here 135°C). If the temperature drops below 6°C above the setpoint (131°C), the admission valve opens again.

Conclusion

The temperature mapping we performed shows that with a steam pressure supply of approx. 2 barg, the AquaWIT system reaches temperatures significant for efficient bioburden contamination control within 5 min (see Appendix 3).

The temperatures remain stable or increase for 10 min before the sanitization loop is initiated and the clock for the sanitization time starts. The same can be observed during sanitization time. Therefore, the sanitization program satisfies the expectations by reaching and exceeding 121°C for all sensor placement locations from 01 to 08. We recommend that you clean and minimize bioburden using a steam-sanitization program under the following conditions:

  • Steam supply 1.8 to 2.0 barg
  • Temperature setpoint: 121°C to 125°C
  • Duration: 20 min

For increased lethality, an extension of the sanitization time can be applied.

General recommendations to control and prevent bioburden contamination:

  • A regular steam sanitization (e.g., weekly or bi-weekly, based on your risk assessment) of the AquaWIT system should be implemented.
  • The water should be changed daily.
  • The system should not be stored with a full tank.
  • The system should be at least air flushed (minimum for 300 s) before being stored.
  • A yearly maintenance and mechanical cleaning of the tank should be implemented.

Note: Another aspect of bioburden control is to prevent remaining water during storage of the system. The sanitization of the system can be combined with an air flush sequence. An air flush cycle of at least 300 s will allow you to remove residual water from the system. During an “air flush” cycle, you set the time (t) and pressure (p), and the system valve’s opening/closing sequence is predefined in the system programming. The pressure set is a pressure limit; when the pressure limit is reached in the system, an alarm is triggered.

Acknowledgments

Lionnel Lueginbuehl, Team Manager, SLS MSAT Filtration was the R&D team leader for this project.

Appendices

Appendix 1: AquaWIT filter integrity system schematic

Appendix 2: Steam cycle temperature averages (°C) per sensor including standard deviations (°C)

 Description  Setpoint (°C)  Steam (bar)  TT01 internal sensor  Tank top  Tank bottom  Tank drain  Tank drain (inside)  Port E (steam)  Port B cabinet  Port B (inside)  Port V (inside)  Ambient
 Run A temp.  125  2.0  133.3  130.6  128.5  125.3  123.0  125.8  130.1  127.4  123.3   19.8
 Run A st. dev.      0.4  0.4  0.4  0.3  0.3  0.2  0.4  0.23  0.8  0.1
 Run B temp.  125  2.0  130.5  127.6  125.7  125.1  122.5  125.9  129.5  126.9  122.9  21.6
 Run B st. dev.      1.5  1.1  1.1  0.5  0.6  0.2  1.2  0.9  1.5  0.5
 Run C temp.  125  2.0  132.5  129.8  127.8  125.2  123.1  126.2  129.8  127.3  123.8  21.4
 Run C st. dev.      1.2  1.1  0.7  0.3  0.4  0.2  0.4  0.4  0.9  0.2

1 bar = 14.5 psi = 0.1 MPa

Appendix 3: Steam temperatures over time, runs A, B, and C

CY51041

Filter integrity testing just got easier
Find out more about the AquaWIT V testing system

Did you find what you were looking for?