Shop in your local currency and language

Choose another country or region to see specific content for your location and shop online.

United Kingdom

Perfusion bioreactor with TFF cell retention

Sep 3, 2024

Advantages of perfusion cell culture

Perfusion processes have many advantages. For example, they help to protect product quality. In addition, they support efficient facility utilization by offering the possibility of using smaller bioreactors. Compared with batch or fed-batch processes, perfusion cell culture allows cells to stay in exponential growth phase for an extended time and reach higher viable cell densities.

Options for cell retention

Several cell retention methods are available for perfusion cultures. One of these is tangential flow filtration (TFF). In contrast to normal flow filtration (NFF), where the medium is pumped through a membrane filter, a peristaltic pump is used to recirculate the cell culture supernatant over the permeable membrane surface. This process reduces the risk of filter fouling. In TFF, liquid and compounds with molecular weights less than the membrane cut-off can pass through the membrane (permeate), whereas larger molecules are retained (retentate). Alternating tangential flow filtration (ATF) uses the TFF technique, but a diaphragm pump alternates the flow direction over the membrane surface.

Perfusion in rocking and stirred-tank bioreactors

In previous work, perfusion culture was conducted in rocking bioreactors using ATF or TFF as cell retention method. Similar cell growth and productivity were achieved with both methods (1, 2). The current study shows perfusion culture conducted in the single-use XDR-10 stirred-tank bioreactor system (Fig 1), using TFF for cell retention. Process goals were cell densities above 25 × 106 cells/mL, cell-specific perfusion rate (CSPR) within 25–40 pL/cell/day, and a steady-state perfusion for a minimum of five days.

Materials and methods are provided at the bottom of the article.

Fig 1. The single-use XDR-10 stirred-tank bioreactor system.

Results using TFF as cell retention method

The perfusion setup with a TFF filter as cell retention device is shown in Figure 2.

Perfusion setup with Xcellerex XDR-10 bioreactor and tangential flow filtration for cell retention.

Fig 2. Perfusion setup with XDR-10 bioreactor system, using TFF as cell retention method.

In this setup, a peak cell density of 35 × 106 cells/mL was reached on Day 6 (Fig 3).

Cell growth and viability for perfusion culture using XDR-10 bioreactor and tangential flow filtration as cell retention method.

Fig 3. Cell growth and viability for perfusion culture using TFF as cell retention method. Ct and Cv are total and viable cell density, respectively.

An average CSPR of 33 pL/cell/d was achieved during steady state. The average volumetric production was 0.27 g/L/d during the five days of stable perfusion (Fig 4). Bleeding of the culture was started on Day 6, when reaching peak density. After five days of stable perfusion, the culture was ended.

Cell-specific perfusion rate and other results for perfusion culture with XDR-10 stirred-tank bioreactor and TFF cell retention.

Fig 4. CSPR, product titer, and vessel volumes per day (VVD) for perfusion culture using TFF as cell retention method.

Discussion

These results show that perfusion culture can be conducted successfully in the single-use XDR-10 bioreactor system using TFF as cell retention method. Ultimately, the characteristics of selected media and cell line will play a major role in the process performance. In addition, process performance will be significantly affected by the area and pore size of the selected filter. Here, the bioreactor system was connected to the single-use filter unit through disposable tubing. For fully disposable solutions, single-use pump systems can be used in the setups. Single-use equipment avoided the need for cleaning and associated validation, reducing setup and changeover times. Single-use equipment also minimized the cross-contamination risk, as all process components that contact the process material, including the filter cartridge, can be conveniently disposed after use without open handling. The ReadyToProcess hollow fiber filter cartridges used for cell retention are especially suited for processes where the process stream needs to be contained for health and safety reasons.

Conclusion

This work describes a perfusion process setup using TFF as cell retention method. A similar study was performed with ATF as cell retention method. The XDR-10 bioreactor system and a hollow fiber cartridge with a filter area of 990 cm2 were used in both setups, differing only in cell retention unit. Although the filter fouling was slightly faster with the TFF compared with the ATF setup, the results show comparable performance between the two setups.

Read companion article on XDR-10 perfusion bioreactor setup with ATF cell retention method.

Learn more about upstream bioprocessing solutions from Cytiva.

References

  1. Clincke, M. F. et al. Very high density of CHO cells in perfusion by ATF or TFF in WAVE Bioreactor. Part I: Effect of the cell density on the process. Biotechnol. Prog.29, 754–767 (2013).
  2. Clincke, M. F. et al. Very high density of Chinese Hamster ovary cells in perfusion by alternating tangential flow or tangential flow filtration in WAVE Bioreactor. Part II: Applications for antibody production and cryopreservation. Biotechnol. Prog.29, 768–777 (2013).
  3. Xu, S. et al. Impact of Pluronic™ F68 on hollow fiber filter-based perfusion culture performance. Bioprocess Biosyst. Eng.40, 1317–1326 (2017).

 

Ordering information

Product Description Product code
Xcellerex XDR-10 single-use stirred-tank bioreactor Please contact your local sales representative to order.  
XDA-10 Pro Plus bioreactor bag 10 L, pitch blade impeller, one disc each of 2 μm, 20 μm, 0.5 mm, and 1 mm spargers. 888-2-0397-C
ReadyToProcess pillow bag 50 L 12410228
ReadyToProcess hollow fiber filter cartridge 0.65 μm pore size, 990 cm2 filter area, 60 cm cartridge length CFP-6-D-4X2MA
HyClone ActiPro medium Cell culture medium formulated to provide high yields of recombinant proteins in processes using CHO cell lines. SH31037.05

 

Materials and methods

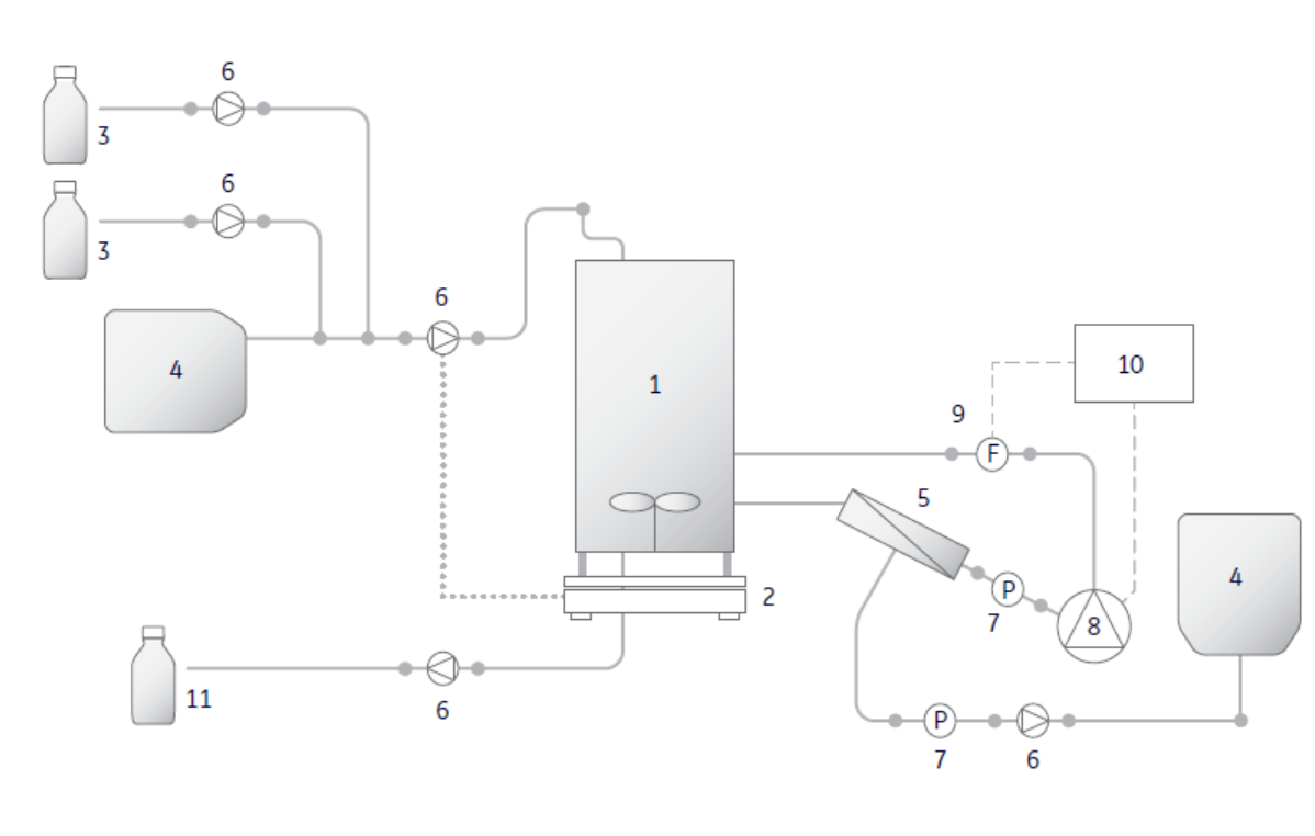
The model process was monoclonal antibody (mAb) production in CHO cells. Cells were grown in HyClone ActiPro basal medium supplemented with 6 mM L-glutamine and poloxamer 188. A 5 g/L poloxamer 188 concentration was selected, consistent with another study (3). Glucose was added as needed via a peristaltic pump and amino acids were added during the perfusion culture. The process was conducted in perfusion mode using the setup shown in Figure 5. Culture parameters are listed in Table 1.

XDR-10 bioreactor process setup using TFF as cell retention method.XDR-10 bioreactor process setup using TFF as cell retention method.

Fig 5. XDR-10 bioreactor process setup using TFF as cell retention method.

Table 1. Process conditions

Parameter Settings/comment for XDR-10 bioreactor system
Production medium ActiPro basal medium supplemented with 6 mM L-glutamine and poloxamer 188. Glucose was added as needed. Amino acids were added during the perfusion.
Poloxamer 188 5 g/L
Starting viable cell density 0.6 × 106 viable cells/mL
Operating volume 4.5 to 5.0 L
Impeller speed 150 rpm
Temperature 37 °C
pH set point 7.1
pH PID settings Optimized PID
DO set point 30% (controlled by oxygen enriched air)
DO PID settings Factory default settings
Spargers 1.0 mm: air, CO2 20 μm: air, O2
Oxygen flow PID controlled
Carbon dioxide flow PID controlled

Did you find what you were looking for?