Shop in your local currency and language

Choose another country or region to see specific content for your location and shop online.

United Kingdom

Parts and accessories

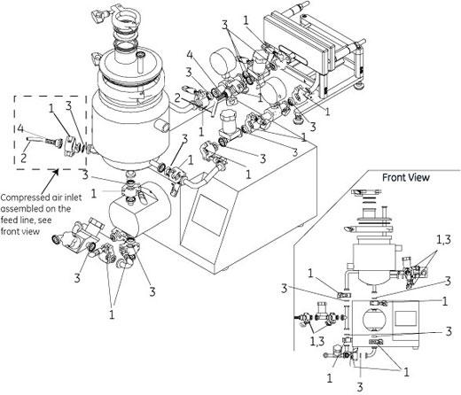
Kvick Lab Holder
56411279 Kvick Lab holder
Running Kvick Lab cassette holder with Kvick Lab system
11003271_9

For countries using 220 V power, power cords have to be ordered separately for the system pump.

Purchase options
1
Clamp 25 mm TC
Clamp 25 mm TC
56411285
Stock on request
23.00 USD
2
SIZE 18 BIOPRENE TUBING-3M
Bioprene tubing
Bioprene tubing
56410619
Stock on request
379.00 USD
3
Gasket o.d. 25 mm i.d
Gasket o.d. 25 mm i.d
56411286
Stock on request
107.00 USD
4
1/2-inch Sanitary to 3/8-inch Hose Barb Adaptor (KLSY0105HBF01)
Connector 25 mm TC - 9.5 mm hose barb
Sanitary to 3/8 in hose barb adapter
56411397
Stock on request
260.00 USD
6
POWER CORD,UNITED KINGDOM
Power Cords
Power Cords
56410948
Discontinued
8
POWER CORD,UNITED KINGDOM
Power Cords
Power Cords
56410950
Discontinued

Need more help?

Tell us more and our specialists will try to help you